世界杯下注
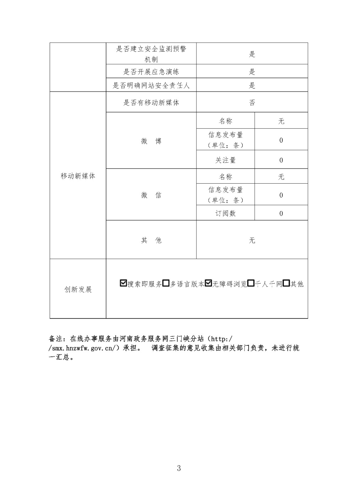
2026世界杯竞猜app下载门户网站2018年度工作报表
世界杯下注
简
|
繁
无障碍浏览
进入适老模式
本站
高级搜索
高级搜索
X
搜索结果:
包含以下任意关键字词
不包含以下关键词
查询范围:
全部
标题
正文
时间范围:
-
搜索
首 页
要闻动态
2026世界杯app软件推荐
政务服务
世界杯下注
数据发布
人才政策
重点项目
世界杯下注
当前位置:
首页 >
2026世界杯app软件推荐 >
政府网站年度报表 >
2018 >
正文
2026世界杯竞猜app下载门户网站2018年度工作报表
发布时间:
2019-01-14 11:09
文章来源:
2026世界杯竞猜app下载政府网
省政府
河南省政府网
市政府部门
市发展和改革委员会
市科学技术局
市市场监督管理局
市公安局
市司法局
市工业和信息化局
市农业农村局
市水利局
市住房和城乡建设局
市信访局
市统计局
市审计局
世界杯下注国防动员办公室
市民政局
市卫生健康委员会
市林业局
市自然资源和规划局
市人力资源和社会保障局
市商务局
市交通运输局
市教育局
市应急管理局
市体育局
市生态环境局
市文化广电和旅游局
市财政局
市退役军人事务局
市城市管理局
市民族宗教事务局
市医疗保障局
市行政审批和政务信息管理局
各县(市、区)
湖滨区
灵宝市
义马市
渑池县
陕州区
卢氏县
经济开发区
城乡一体化示范区
本市重要机构
市住房公积金管理中心
世界杯下注公共资源交易中心
信用2026世界杯竞猜app下载
2026世界杯竞猜app下载政府采购网
{*主站.标题#1001}
{*主站.标题#1001}
{*主站.标题#1001}
{*主站.标题#1001}
{*主站.标题#1001}
烟雨镜像程序
镜像站群
关键词转码站群
镜像程序
站群克隆软件
整站镜像下载
301镜像站群
蜘蛛池+镜像
量子镜像站群
>网站地图-sitemap